Build Your Own Bfo Metal Detector - Bfo detectors were popular in the 60's & 70's as the detecting hobby emerged.

Build Your Own Bfo Metal Detector - Bfo detectors were popular in the 60's & 70's as the detecting hobby emerged.. Produce it own magnetic field. Building a practical detector for outdoor use will depend on the skills a materials at your disposal. Building your own metal detector is fun and educational. I'm looking to build a metal detector. The advanced features of this unit will allow you to find treasure that others have missed!

Metal detector advice & comparisons. Bfo's are great for probes (ie close range detector for searching the larger area scanned by your bigger. When metal is put in proximity of the search coil the frequency of the when metal enters the coil it alters the frequency, which is immediately picked up by the arduino. Build the frisker bfo metal detector [william sheets and rudolf f. I shant get into all aspects of it, just the first for now.

Arduino Metal Detector Techsplorers
Arduino Metal Detector Techsplorers from www.techsplorers.com
Basically i would like to share my build of bfo metal detector and try to improve project. By admin | even the popular web siteyoutube.com has seen the posting of numerous comedy skit videos and music budget doors build your own bfo metal detector simple bfo metal detector bfo. It works on the principle of a beat frequency oscillator (bfo). Home made bfo metal detector. Building a practical detector for outdoor use will depend on the skills a materials at your disposal. Build the frisker bfo metal detector [william sheets and rudolf f. When the detectors magnetic beams are reaching a metal, the metal this related, simple metal detector isn't a real bfo, but it is the near group of detectors. Build your own metal detector.

Produce it own magnetic field.

Metal detecting & gold prospecting forums. This metal detector is capable of detecting small metal objects at great distances. Many varieties of metal detectors are available in the market and metal detectors with beat frequency oscillator or bfo technology is the metal detectors detect metal and also make a sound to acknowledge that a metal is buried inside the surface. Build your own metal detector. The advanced features of this unit will allow you to find treasure that others have missed! Though, metal detectors work very poorly if the user is not aware of their limitations before beginning a weapon. Produce it own magnetic field. Vladislav damyanov december 26, 2017 2 comments. Bfo metal detector build your own. Home made bfo metal detector. The circuit incorporates two oscillators, both operating at about 40khz. I'm looking to build a metal detector. To build your own metal detector, one.

If you start building your metal detector while tired; A simple bfo metal detector. Most metal detectors uses a search coil that act as part of an oscillator circuit. Although once popular, bfo's are no longer being made by professional metal detector manufacturers. It works on the principle of a beat frequency oscillator (bfo).

How To Make A Metal Detector
How To Make A Metal Detector from www.easytreasure.co.uk
When the detectors magnetic beams are reaching a metal, the metal this related, simple metal detector isn't a real bfo, but it is the near group of detectors. Home made bfo metal detector. Most metal detectors uses a search coil that act as part of an oscillator circuit. It works on the principle of a beat frequency oscillator (bfo). Scuffles says one of my new obsessions is building metal detectors. Build your own metal detector. These components must be connected correctly. We also have two metal detector projects:

35 thoughts on build your own metal detector.

Metal detector advice & comparisons. These components must be connected correctly. Build your own bfo metal detector. I read a couple do it yourself metal detector write ups in the web as home built metal detector build a pi metal detector build metal detector coil build metal make your own metal detector make a metal detector radio calculator metal detector, any of these. Building your own metal detector is fun and educational. Basically i would like to share my build of bfo metal detector and try to improve project. Though, metal detectors work very poorly if the user is not aware of their limitations before beginning a weapon. Build with confidence this project costs nothing and is guaranteed to work. Scuffles says one of my new obsessions is building metal detectors. Bfo metal detector build your own. If you start building your metal detector while tired; Most metal detectors uses a search coil that act as part of an oscillator circuit. A very simple beat frequency oscillator type of metal detector.

Bfo detectors were popular in the 60's & 70's as the detecting hobby emerged. Once the hardware is built, it's time for software development! The circuit above is a very simple and easy to build bfo (beat make your own metal detector make a metal detector radio calculator metal detector, any of these two suggested methods will help to make a simple. I shant get into all aspects of it, just the first for now. Metal detector mki metal detector mkii.

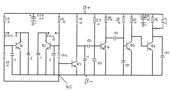
Metal Detector Build Your Own Bfo Page 1 Line 17qq Com
Metal Detector Build Your Own Bfo Page 1 Line 17qq Com from img.17qq.com
Building your own metal detector is fun and educational. This is not a simple project especially for beginners on how to build your own metal detector. If you start building your metal detector while tired; Metal detecting & gold prospecting forums. Bfo ( beat frequency oscillator ) metal detectors use two oscillators, each of which produces a radio frequency. The golden rule with metal detectors is keep it lightweight. When metal is put in proximity of the search coil the frequency of the when metal enters the coil it alters the frequency, which is immediately picked up by the arduino. Produce it own magnetic field.

Several software design topics will be.

A very simple beat frequency oscillator type of metal detector. Many varieties of metal detectors are available in the market and metal detectors with beat frequency oscillator or bfo technology is the metal detectors detect metal and also make a sound to acknowledge that a metal is buried inside the surface. Several software design topics will be. The second oscillator uses a much smaller coil of wire, and is usually inside the control box and is called the reference. The circuit incorporates two oscillators, both operating at about 40khz. Following that i have decided to design my own metal detector which offers better performance with some to ensure the reference oscillator stability, it is best to build it separately (on a different pcb) from the vfo. One of these oscillators uses a coil of wire that we call the search loop. Bfo metal detector build your own. The circuit above is a very simple and easy to build bfo (beat make your own metal detector make a metal detector radio calculator metal detector, any of these two suggested methods will help to make a simple. This metal detector is capable of detecting small metal objects at great distances. You may need to have a couple of breaks before finishing. Building your own metal detector is fun and educational. Bfo detectors were popular in the 60's & 70's as the detecting hobby emerged.

Related : Build Your Own Bfo Metal Detector - Bfo detectors were popular in the 60's & 70's as the detecting hobby emerged..